瑟维斯泵阀制造(浙江)有限公司官网

瑟维斯泵阀制造(浙江)有限公司官网

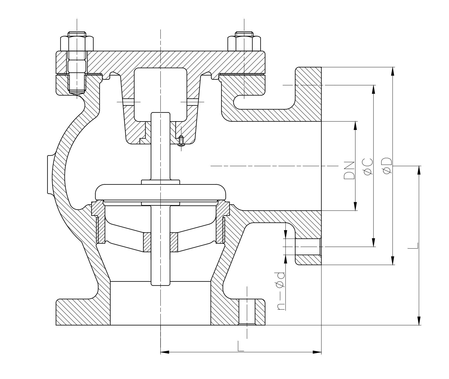
日标铸铁升降式角式法兰止回阀

"草莓影视免费观看" 关注次数:2197次

商品类型:截止阀

上架时间:2024-07-02 09:37:28

产品描述:品名:日标铸铁升降式角式法兰止回阀设计标准:JIS F7358工作温度:-10~200℃适用介质:淡水、海水、油品操作方式:

咨询电话:4001-588-933

升降式止回阀是一种通过活塞移动来控制阀门开闭的阀门 草莓影视,具有以下优点:.

1,安装简便:升降式止回阀结构简单、安装方便,不需要大量的管道连接与附属设备,节省安装时间和成本。 草莓影视在线

2 草莓影视高清, 可靠性高:升降式止回阀采用活塞结构,具有较好的密封性和稳定性,可以确保流体的单向流动,并防止反流液体对阀门造成损坏。。

3 草莓影视免费观看, 适用范围广:升降式止回阀可用于各种压力、流量和介质的液压系统,适用范围广。。