瑟维斯泵阀制造(浙江)有限公司官网

瑟维斯泵阀制造(浙江)有限公司官网

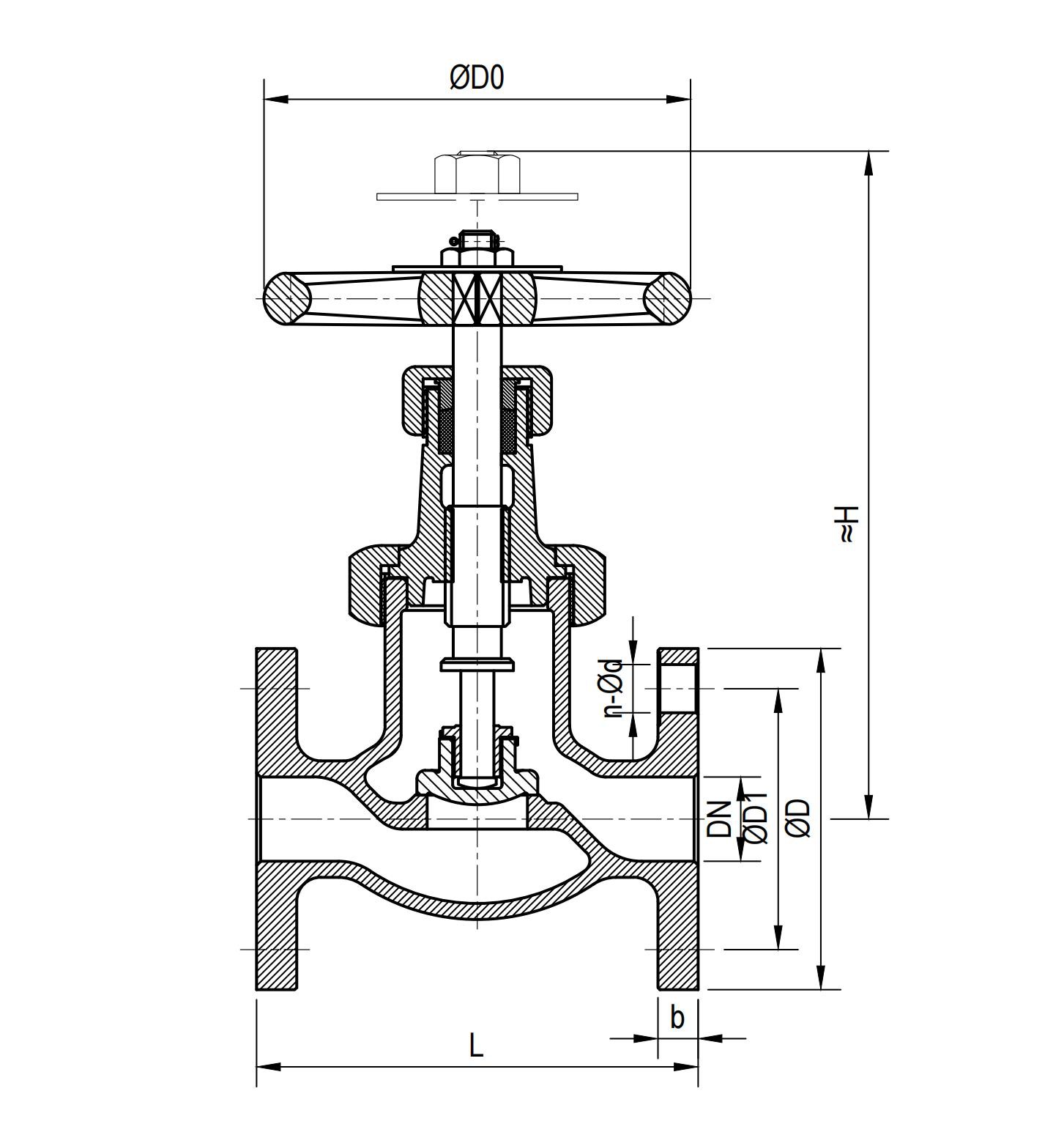
日标青铜短款直通法兰截止阀

关注次数:1875次

商品类型:截止阀

上架时间:2024-07-02 09:29:58

产品描述:品名:日标青铜直通法兰截止阀设计标准:JISF7348 工作温度:-10~200℃适用介质:海水、淡水。燃油、滑油和蒸汽操作方式:手动

咨询电话:4001-588-933

截断能力强:截止阀的主要作用就是截断管道介质的流动,由于截止阀的结构和选材都是以截断能力为重点设计的,因此其截断性能非常出色 草莓影视,在紧急情况下,截止阀能够快速将介质截断。