瑟维斯泵阀制造(浙江)有限公司官网 "草莓影视高清"

瑟维斯泵阀制造(浙江)有限公司官网

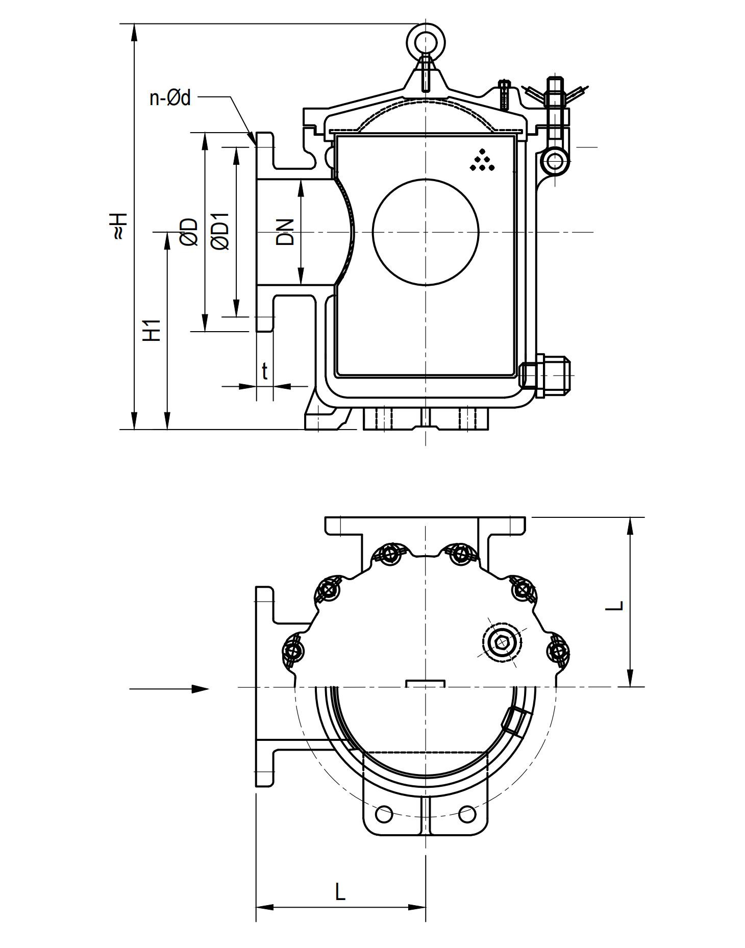
日标铸铁滤器

关注次数:3103次

商品类型:其他

上架时间:2024-07-02 09:53:53

产品描述:品名:日标铸铁滤器设计标准:JIS F7121 工作温度: -10~200℃适用介质:海水、淡水操作方式:自动过滤

咨询电话:4001-588-933

船用滤器的主要用途是过滤船舶管路流体中的杂质,‌船用滤器是船舶管系中不可或缺的设备,‌它们的主要功能是过滤管路流体中的杂质,‌以保护船舶的动力系统和各种泵的正常运行,‌这些滤器通过其设计和构造,‌能够有效地滤除海水或淡水中的悬浮物,‌微生物以及大颗粒杂质,‌确保进入船舶动力系统的流体清洁无污染,‌船用滤器的应用范围广泛,‌包括但不限于海水系统和淡水系统,‌覆盖海水泵,‌淡水泵,‌冷却器和其他管路系统的过滤需求 草莓影视,‌。