瑟维斯泵阀制造(浙江)有限公司官网

瑟维斯泵阀制造(浙江)有限公司官网

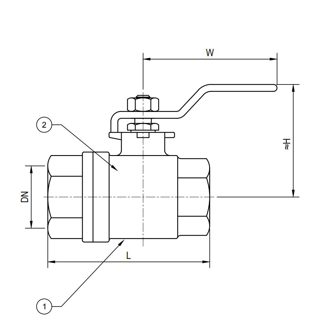
青铜内螺纹两片式球阀

关注次数:2944次

商品类型:球阀

上架时间:2024-07-01 13:11:10

产品描述:品名:黄铜内螺纹两片式球阀 设计标准:GB/T 8464  工作温度: -10~180℃ 适用介质:水、油品、气体等 操作方式:手动

咨询电话:4001-588-933

内螺纹球阀,用于切断 草莓影视,分配和改变介质流动方向,特点是启闭迅速,轻便,流体阻力小。